8V DOHC Engine Control
Components
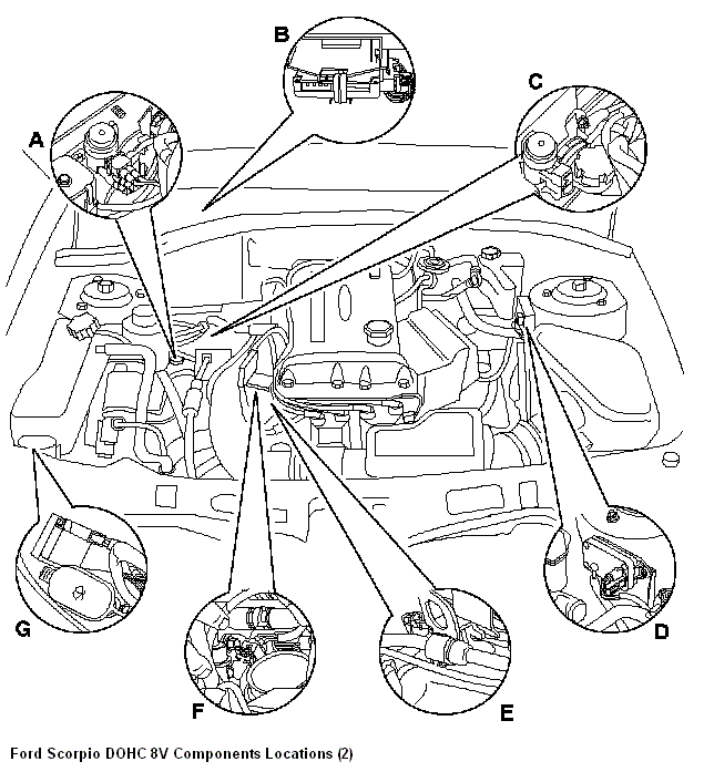
To assist with component identification, this is a view of
the components on the DOHC 8V engines (LHD shown)

A. - IAC valve
B. - CKP sensor
C. - CMP sensor
D. - EGR valve
E. - MAF sensor
F. - HO2S (post-catalyst)
G. - HO2S (pre-catalyst)
H. - ECT sensor
I. - IAT sensor

A. - EGR vacuum regulator
B. - EECV PCM (Behind glove compartment in cabin)
C. - EVAP canister purge valve
D. - Pressure transducer EGR system
E. - Fuel pressure regulator
F. - TP sensor
G. - EI system module