Last update:

11/07/2005

  Suspension Problems

About Us Useful Links Forums Mailing List

 

Up
Care of Alloy Wheels
Front Link Rods
Front Suspension
Front Wishbones
Rear Hubs
Roadwheel Repairs
Steering Rack
Steering Knock
Steering Wander
Vague Steering
New Tyres
Suspension Problems
Steering Manual
Suspension Manual

 

Rear Suspension to 01/96

Rear Suspension from 01/96

Front Shocks

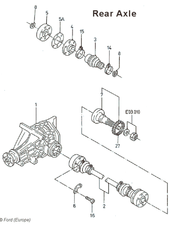
Rear Axle

Front Suspension

Front Strut

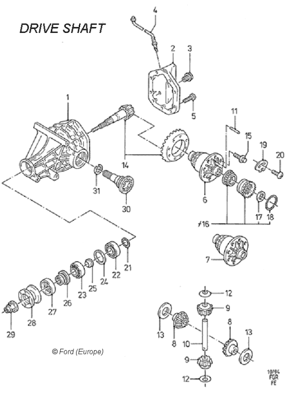
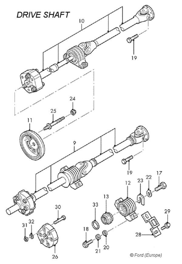
Drive Shaft

Differential
       
       

Steering shake
In March 2000 we drove across Europe to Germany to visit relatives. To my surprise I felt a severe steering shake above 55 right up to a hundred when a low drone took over. Something was out of balance, but I had just fitted two new Michelins on the front. Perhaps a weight had dropped off, I thought and while near a German tyre place I popped in to have the wheels checked.

I got the thumbs down, in German. They called me over to the balancing machine and there I watched the inner rim of one of the alloys dip sharply as it turned. The wheel was pear shaped, literally. I even remembered to swear in German. Schiesse! I said, and they agreed. We needed a new wheel. In the meantime they put the faulty one on the back where it would cause a drone, but not the steering shake. While they were doing this a couple of Germans were looking round the car. They saw the 24V on the wings and one asked me, "Cosworth, ja?"

He obviously knew his Fords. "Ja." I said, and lifted the bonnet so they could see. They were impressed. "How fast?" was the next question.

When I replied "140." They seemed disappointed, until I remembered that they would think in KPH. I looked at the speedo and read the numbers. "220 kph" I said. They made appreciative noises and I tried to explain that the maximum speed was electronically governed, but my German wasn't up to it.

Thinking about the wheel later I realised what had happened. On the back the vibration caused by the flattened wheel was absorbed by the suspension. It still caused a drone at higher speeds but this was not so noticeable, but during the tyre changes the fitters had put the wheel on the front, where the flattened rim caused a much greater effect.

Front Radius Arm (Wishbones)
In March 2000 I noticed that the steering was becoming vague. It was not so noticeable around town, but our frequent long distance trips showed up a wander. And when I noticed a graunching noise coming from the front at low speeds, especially when changing lock and light braking, I started to worry.

I jacked the car up and at first I could find nothing wrong. It was not until I took hold of the front nearside wheel and pulled and pushed it sideways I saw the problem: the inner rubber bush on the nearside front radius arm (wishbone) had given up; the radius arm was moving an inch along its axis rather than being locked tight. This movement caused the graunching noise I had heard and allowed the nearside front wheel to wander. Since the radius arm had been replaced only eight months before I called up the Ford service centre.

'Book it in', they said. 'We'll have a look.'

Sure enough, they agreed with me. The bush had failed and the whole arm had to be replaced. Cost? Zero. The part was under warranty. It was a good feeling, driving away from the service centre without my wallet being hammered.

A new wheel was fitted in the beginning of May. This has made a noticeable difference to the road noise, and together with the change of tyres makes the Scorpio an awesome high speed cruising machine.

Just as well, because that very weekend ….

The Marathon in May
Just before the May bank holiday weekend we received a dread phone call. My mother in law had been taken to hospital in Newcastle and was very ill. That same day we were booked with friends to go to Suffolk for a 60's weekend in a hotel. Nothing daunted, we filled up the car and drove our usual route M25-M11-A1. Traffic was bad with an endless succession of lorries taking up the outside lane, but we arrived after five and a half hours at 3pm.

Happily, the crisis had passed and after a reassuring visit we left at 5pm. We filled up at Washington services and arrived home at 9.30pm. Then we loaded all the suitcases, picked up our friends and drove to Lowestoft through torrential rain arriving at 12.15am. This was a total of 875 miles in one day. In a small average car this would have been a nightmare and we would have arrived feeling like death, but the Scorpio is so quiet and effortless that I could have driven home again, if we had to.

But instead we had some drinks in the bar. And we had a very good weekend break.

EricR

 

 

Copyright © 2001 www.fordscorpio.co.uk